证券代码:870411  联系电话:400-885-0951

化工装置仪表及控制系统

时间:2022-05-12      来自:煤化工联盟


过程控制仪表及控制系统的发展经历了四个阶段:
1. 上个世纪50年代以气动单元组合仪表为主。
2.上个世纪 60年代,电子元件晶体管的产生,使得电动单元组合仪表(DDZⅡ)得以开发和应用。
3. 上个世纪70年代,采用线性集成电路和小规模数字电路,发展了安全火花防爆型单元组合仪表(DDZⅢ ) 、组装仪表和巡回检测仪表。
4. 上个世纪80年代,采用微处理机和集成电路,将微机技术应用在仪表控制系统中,出现集中管理分散控制式的控制系统装置以及数字化单元组合仪表。

仪表部分

一 .检测仪表

1.温度变送器(热电偶、热电阻、膨胀式、压力式、辐射式等) 

 2. 压力/差压变送器(液柱式、弹性式、电气式、活塞式等)

 3.液位变送器(直读式、差压式、浮子式、核辐射、超声波等) 

 4.流量变送器(速度式、容积式、质量式等)

图片

图片

图片

图片

图片

图片

图片

图片

图片

图片

二.分析仪表

分析仪表是用来测量物质(包括混合物和化合物)的成分、含量以及某些物理特性的一类仪器的总称。化肥二部的分析仪表有:氨氮浓度分析仪 、色谱分析仪 、水份分析仪 、氧含量分析仪、密度计、PH计、 SiO2分析仪、红外分析仪等。

图片


图片

图片


执行器


执行器是构成自动控制系统不可缺少的重要部分,执行器在系统中的作用是接受调节器的输出信号,改变调节参数,把被调参数控制在要求范围内,从而达到生产过程的自动化。执行器代替了人的操作,被形象的称为实现生产过程自动化的“手脚”。执行器按使用的能源可分为:气动执行器、电动执行器和液动执行器三种。其中气动执行器在工业控制中使用最为普遍。

图片

调节阀

调节阀(也叫做控制阀Control Valve)由两部分组成:调节阀  =  执行机构 + 阀体部件
执行机构是调节阀的推动装置,它按信号压力的大小产生相应的推理,使推杆产生相应的位移,从而带动调节阀的阀芯动作。阀体部件是调节阀的调节部分,它直接与介质接触,由阀芯的动作,改变调节罚截流面积,从而达到调节的目的。

图片


图片

图片

图片

图片


一.调节阀分类
调节阀分为气开阀和气关阀
调节阀的开闭形式有气开阀和气关阀之分。所谓气开是指输入到执行机构上的控制气压增加时,阀门朝打开的方向移动,使流过阀门的介质流量增加;而气关阀则刚好相反,当控制气压增加时,阀门朝关闭的方向移动。调节阀开闭形式的确定主要从安全生产的角度考虑,如在锅炉当中,燃料气的调节阀通常都是采用气开阀,当控制气压信号发生故障中断时,即执行机构上的气压为零时,阀门能够处于关闭状态。切断燃料气,防止设备内部温度过而导致危险发生。

二、调节阀特性
调节阀的流量特性:
          调节阀的理想流量特性是指:在调节阀前后压差保持不变时,流过阀门的介质的相对流量和阀门的相对开度之间(相对位移)的关系。调节阀的理想流量特性有四种:
          1.直线特性
          2.等百分比特性
          3.快开特性
          4.抛物线特性

图片

三、控制系统
1、DCS   
      Distributed Control System          集散控制系统
2.PLC
      Programmable Logic Controller    可编程逻辑控制器
3.SIS
      Safety Instrumented System          安全仪表系统
4.ITCC
      Integrated Turbine & Compressor Control 透平和压缩机综合控制系统
DCS:
DCS—集散控制系统,ISO的定义为:为满足大型工业生产和日益复杂的过程控制要求,按照控制分散、管理集中的原则构思,微处理器、通信技术、人机接口技术、I/O接口技术相结合用于数据采集、过程控制和生产管理的综合控制系统。

图片

它是以微处理机为基础的集中分散型综合控制系统。集中是指集中管理、集中操作和集中显示,而分散是指控制分散、危险分散。主要分为三大部分:带I/O部件的控制器、通讯网络和人机接口(HMI)。


图片


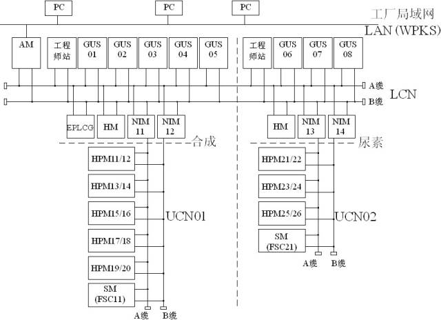
TPS系统:TPS系统是Honeywell公司研制的一种基于Windows的开放工厂自动化系统。它主要由高性能过程管理器HPM,网络接口模件NIM,历史模件HM,全局用户操作站GUS,工程师站和局部控制网LCN、通用控制网UCN等组成。

图片


1.高性能过程管理器HPM High Performance Process Manager

2.网络接口模件NIM Network Interface Module

3.历史模件HM History Module
      4.全局用户操作站GUS Global User Station
      5.增强型PLC接口模件EPLCG Enhanced Programming Logic Controller Gateway
      6.安全管理器SM Safety Manager

图片


图片

图片

图片


CS1000系统


CENTUM CS系统是日本横河公司的产品,化肥二部采用其CS1000系统。CS系统主要由工程师站EWS,信息指令站ICS,双重化现场控制站AFM20D,通信门单元ACG,双重化通讯网络V-NET等构成。系统规格:监视位号数:8000个最多站数:24个站(包括现场控制站和人机接口站)人机接口站:8个现场控制站:16个通讯网络(VL net):185m同轴电缆(或20km光纤电缆),   数据传输速率为10Mbps.
CS1000主要由以下五个基本部件组成.                              HIS(人机接口站)        FCS(现场控制站)V-net(控制总线)          BCV(总线转换器)CGW(通讯门路)

图片

图片


PLC:
PLC— Programmable Logic Controller     可编程序控制器
可编程序控制器是一种以微处理器为核心器件的逻辑和顺序控制装置,是一种数字式的电子装置。 它使用可编程序的存储器来存储指令,并实现逻辑运算、顺序运算、计数、计时和算术运算等功能,用来和各种机械和生产过程进行控制。
化肥二部生产装置主要采用了Mitsubishi Electric、Rockwell Automation (Allen-Bradley)、Schneider Electric (Modicon)等公司生产的PLC.
分子筛应用了Mitsubishi Electric的Q系列PLC,现场的一些小PLC如104L、115L、仪表空气干燥器、成品包装称应用了F系列PLC。
膨胀机应用了Rockwell Automation (Allen-Bradley) PLC。
成品控制系统采用了Schneider Electric (Modicon) 的PLC。

图片

图片


SIS:
SIS 是 Safety Instrumented System 安全仪表系统的缩写。目前国际上还有另外两种不同的叫法,ESD 是英文 Emergency Shutdown Device 紧急停车系统的缩写,IPS 是 Instrumented Protective System 仪表保护系统的缩写,这几种叫法都是指用仪表系统来实施保护,在国际电工委员会IEC和 TUV 认证机构中都称为 SIS 。
化肥二部主要应用了霍尼韦尔的FSC,和HIMA的H41q(用作BMS)两套SIS。
化肥二部主装置采用的SIS是FSC-Fail Safety Control,它是HONEYWELL公司生产的一种安全管理系统,可以将故障的硬件和正常部件迅速隔离,并对系统进行保护。

图片

图片

图片


图片

图片

中压锅炉2201U采用的锅炉管理系统BMS也是一种SIS。它应用的是HIMA公司的故障安全型控制系统 H41q。采用了四重化冗余容错结构(QMR技术)。

图片


ITCC:
化肥二部主装置共有压缩机组6台:原料气压缩机组(102J/JT)、合成气压缩机组(103J/JT)、氨冷冻压缩机组(102J/JT)、氨升压机(105J1/JAM)、二氧化碳压缩机组(302J/JT)、工艺空气压缩机机组(101J/JGT)。其中工艺空气压缩机组101J/JGT)原动机为燃气轮机,机组控制采用GE公司Speedtronic Mark VI控制系统。其它机组均采用Woodward公司生产的MicroNet TMR控制系统,共有4套(105J1为电机驱动,与102J/JT共用一套)。

图片


MicroNet控制系统是一个基于32位微处理器的系统。卡件插在机架中,可扩展机架有6槽、12槽和18槽三种。MicroNet TMR控制系统由18槽机架(共有3个核心部分,6个槽/核心部分)以及冗余电源机架组成。MicroNet平台是基于VME(VERSA Module Eurocard)背板开发的,CPU卡位于VME机架的第1个有效插槽。所有的I/O卡件插在剩余的VME机架插槽内,可以用扩展机架来增加I/O卡件。系统构成示意图如下:

图片


合成氨生产装置中应用的是SPEEDTRONIC Mark VI TMR重型工业用燃气轮机控制系统,该系统控制一台新比隆公司(GE Nuovo Pignone)生产的MS5002C型燃气透平、2MCL 1007和2BCL 457型离心式压缩机。燃气轮机循环为简单循环,燃气轮机的排出的乏气大部分作为一段转化炉的燃烧空气,少部分放空或直接进入一段炉对流段。

SPEEDTRONIC™ Mark VI透平控制系统是美国通用电气公司(GE)设计制造的新一代透平综合控制系统。Mark VI能够对原动机(蒸汽透平或燃气透平)、发电机、压缩机等实施完全一体化的控制、保护和检测。



在线营销
live chat